
100 IC Circuits
- .pdf 1.4MB
For our other three free eBooks,
Go to: 1 -
100 Transistor Circuits
Go to:
101 -
200 Transistor Circuits
Go to:
50 - 555
Circuits
67 IC CIRCUITS as of 26-4-2015

See TALKING ELECTRONICS WEBSITE
email Colin Mitchell:
talking@tpg.com.au
| INTRODUCTION This is the third part of our Circuits e-book series. It contains a further 100 circuits. This time we have concentrated on circuits containing one or more IC's. It's amazing what you can do with transistors but when Integrated Circuits came along, the whole field of electronics exploded. IC's can handle both analogue as well as digital signals but before their arrival, nearly all circuits were analogue or very simple "digital" switching circuits. Let's explain what we mean. The word analogue is a waveform or signal that is changing (increasing and decreasing) at a constant or non constant rate. Examples are voice, music, tones, sounds and frequencies. Equipment such as radios, TV's and amplifiers process analogue signals. Then digital came along. Digital is similar to a switch turning something on and off. The advantage of digital is two-fold. Firstly it is a very reliable and accurate way to send a signal. The signal is either HIGH or LOW (ON or OFF). It cannot be half-on or one quarter-off. And secondly, a circuit that is ON, consumes the least amount of energy in the controlling device. In other words, a transistor that is fully turned ON and driving a motor, dissipates the least amount of heat. If it is slightly turned ON or nearly fully turned ON, it gets very hot. And obviously a transistor that is not turned on at all will consume no energy. A transistor that turns ON fully and OFF fully is called a SWITCH. When two transistors are cross-coupled in the form of a flip flop, any pulses entering the circuit cause it to flip and flop and the output goes HIGH on every second pulse. This means the circuit halves the input pulses and is the basis of counting or dividing. It is also the basis of a "Memory Cell" as will will hold a piece of information. Digital circuits also introduce the concept of two inputs creating a HIGH output when both are HIGH and variations of this. This is called "logic" and introduces terms such as "Boolean algebra" (Boolean logic) and "gates." Integrated Circuits started with a few transistors in each "chip" and increased to mini or micro computers in a single chip. These chips are called Microcontrollers and a single chip with a few surrounding components can be programmed to play games, monitor heart-rate and do all sorts of amazing things. Because they can process information at high speed, the end result can appear to have intelligence and this is where we are heading: AI (Artificial Intelligence). In this IC Circuits ebook, we have presented about 100 interesting circuits using Integrated Circuits. In most cases the IC will contain 10 - 100 transistors, cost less than the individual components and take up much less board-space. They also save a lot of circuit designing and quite often consume less current than discrete components or the components they replace. In all, they are a fantastic way to get something working with the least componentry. A list of of some of the most common Integrated Circuits (Chips) is provided at the end of this book to help you identify the pins and show you what is inside the chip. Some of the circuits are available from Talking Electronics as a kit, but others will have to be purchased as individual components from your local electronics store. Electronics is such an enormous field that we cannot provide kits for everything. But if you have a query about one of the circuits, you can contact me. Colin Mitchell TALKING ELECTRONICS. talking@tpg.com.au To save space we have not provided lengthy explanations of how the circuits work. This has already been covered in TALKING ELECTRONICS Basic Electronics Course, and can be obtained on a CD for $10.00 (posted to anywhere in the world) See Talking Electronics website for more details: http://www.talkingelectronics.com
MORE INTRO |
|
RESISTOR COLOUR CODE
|
|
THE 555 The 555 is everywhere. It is possibly the most-frequency used chip and is easy to use. But if you want to use it in a "one-shot" or similar circuit, you need to know how the chip will "sit." For this you need to know about the UPPER THRESHOLD (pin 6) and LOWER THRESHOLD (pin 2): The 555 is fully covered in a 3 page article on Talking Electronics website (see left index: 555 P1 P2 P3) Here is the pin identification for each pin: ![]() ![]() When drawing a circuit diagram, always draw the 555 as a building block with the pins in the following locations. This will help you instantly recognise the function of each pin:
![]() Note: Pin 7 is "in phase" with output Pin 3 (both are low at the same time). Pin 7 "shorts" to 0v via the transistor. It is pulled HIGH via R1. Maximum supply voltage 16v - 18v Current consumption approx 10mA Output Current sink @5v = 5 - 50mA @15v = 50mA Output Current source @5v = 100mA @15v = 200mA Maximum operating frequency 300kHz - 500kHz Faults with Chip: Consumes about 10mA when sitting in circuit Output voltage up to 2.5v less than rail voltage Output is 0.5v to 1.5v above ground Sources up to 200mA but sinks only 50mA HOW TO USE THE 555 There are many ways to use the 55. (a) Astable Multivibrator - constantly oscillates (b) Monostable - changes state only once per trigger pulse - also called a ONE SHOT (c) Voltage Controlled Oscillator ASTABLE MULTIVIBRATOR The output frequency of a 555 can be worked out from the following graph: ![]() The graph applies to the following Astable circuit:
Suppose R1 = 1k, R2 = 10k and C = 0.1 (100n). Using the formula on the graph, the total resistance = 1 + 10 + 10 = 21k The scales on the graph are logarithmic so that 21k is approximately near the "1" on the 10k. Draw a line parallel to the lines on the graph and where it crosses the 0.1u line, is the answer. The result is approx 900Hz. Suppose R1 = 10k, R2 = 100k and C = 1u Using the formula on the graph, the total resistance = 10 + 100 + 100 = 210k The scales on the graph are logarithmic so that 210k is approximately near the first "0" on the 100k. Draw a line parallel to the lines on the graph and where it crosses the 1u line, is the answer. The result is approx 9Hz. The frequency of an astable circuit can also be worked out from the following formula:
555 ASTABLE
OSCILLATORS
SQUARE WAVE OSCILLATOR
|
|||||||||||||||||||||||||||||||||||||||||||||||||||||||||||||
50 - 555 CIRCUITS![]() 50 555 Circuits eBook can be accessed on the web or downloaded as a .doc or .pdf It has more than 50 very interesting 555 circuits and data on using a 555. Table of Contents: (more has been added - see: 50 - 555 circuits)
|
![]() KNOCK KNOCK DOORBELL This very clever circuit only produces an output when the piezo detects two taps. It can be used as a knock-knock doorbell. A PC board containing all components (soldered to the board) is available from talking electronics for $5.00 plus postage. Email HERE for details. The circuit takes only a few microamp and when a tap is detected by the piezo, the waveform from the transistor produces a HIGH on pin 6 and the HIGH on pin 5 makes output pin 4 go low. This very quickly charges the 47n and it is discharged via the 560k to produce a brief pulse at pin 3. The 47n is mainly to stop noise entering pin 2. Pin 1 is HIGH via the 2M7 and the LOW on pin 2 causes pin 3 to produce a HIGH pulse. The 47n is discharged via the internal diodes on pin 13 and when it goes LOW, pin 11 goes HIGH and charges the 10n via the 22k and diode. This puts a HIGH on pin 8 for approx 0.7 seconds and when a second tap is detected, pin 9 sees a HIGH and pin 10 goes LOW. This puts a LOW on pin 12 and a HIGH on pin 8. The LOW on pin 12 goes to pin 1. A HIGH and LOW on the second NAND gate produces a HIGH on pin 3 and the third NAND gate has a HIGH on both inputs. This makes pin 10 LOW and the 4u7 starts to charge via the 2M7 resistor. After 5 seconds pin 12 sees a HIGH and pin 11 goes LOW. The 10n is discharged via the 10M and when pin 8 sees a LOW, pin 10 goes HIGH. The output sits HIGH and goes LOW for about 7 seconds. |
|
LED ZEPPELIN
|
|
BFO METAL DETECTOR
The circuit shown must represent the limits of simplicity for a metal detector. It uses a single 4093 quad Schmitt NAND IC and a search coil -- and of course a switch and batteries. A lead from IC1d pin 11 needs to be attached to a MW radio aerial, or should be wrapped around the radio. If the radio has a BFO switch, switch this ON. Since an inductor resists rapid changes in voltage (called reactance), any change in the logic level at IC1c pin 10 is delayed during transfer back to input pins 1 and 2. This is further delayed through propagation delays within the 4093 IC. This sets up a rapid oscillation (about 2 MHz), which is picked up by a MW radio. Any change to the inductance of L1 (through the presence of metal) brings about a change to the oscillator frequency. Although 2 MHz is out of range of the Medium Waves, a MW radio will clearly pick up harmonics of this frequency. The winding of the coil is by no means critical, and a great deal of latitude is permissible. The prototype used 50 turns of 22 awg/30 swg (0.315 mm) enamelled copper wire, wound on a 4.7"/120 mm former. This was then wrapped in insulation tape. The coil then requires a Faraday shield, which is connected to 0V. A Faraday shield is a wrapping of tin foil around the coil, leaving a small gap so that the foil does not complete the entire circumference of the coil. The Faraday shield is again wrapped in insulation tape. A connection may be made to the Faraday shield by wrapping a bare piece of stiff wire around it before adding the tape. Ideally, the search coil will be wired to the circuit by means of twin-core or figure-8 microphone cable, with the screen being wired to the Faraday shield. The metal detector is set up by tuning the MW radio to pick up a whistle (a harmonic of 2 MHz). Note that not every such harmonic works best, and the most suitable one needs to be found. The presence of metal will then clearly change the tone of the whistle. The metal detector has excellent stability, and it should detect a large coin at 80 to 90 mm, which for a BFO detector is relatively good. It will also discriminate between ferrous and non-ferrous metals through a rise or fall in tone. Copyright Rev. Thomas Scarborough The author may be contacted at scarboro@iafrica.com
|
|
SIMPLE BFO METAL LOCATOR This circuit uses a single coil and nine components to make a particularly sensitive low-cost metal locator. It works on the principle of a beat frequency oscillator (BFO). The circuit incorporates two oscillators, both operating at about 40kHz. The first, IC1a, is a standard CMOS oscillator with its frequency adjustable via VR1. The frequency of the second, IC1b, is highly dependent on the inductance of coil L1, so that its frequency shifts in the presence of metal. L1 is 70 turns of 0.315mm enamelled copper wire wound on a 120mm diameter former. The Faraday shield is made of aluminum foil, which is wound around all but about 10mm of the coil and connected to pin 4 of IC1b. The two oscillator signals are mixed through IC1c, to create a beat note. IC1d and IC1c drive the piezo sounder in push-pull fashion, thereby boosting the output. Unlike many other metal locators of its kind, this locator is particularly easy to tune. Around the midpoint setting of VR1, there will be a loud beat frequency with a null point in the middle. The locator needs to be tuned to a low frequency beat note to one or the other side of this null point. Depending on which side is chosen, it will be sensitive to either ferrous or non-ferrous metals. Besides detecting objects under the ground, the circuit could serve well as a pipe locator.
|
|
1.5v to 5v PHONE CHARGER Look at the photos. The circuit is simple. It looks like two surface-mount transistors, an inductor, diode, capacitor, resistor and LED. But you will be mistaken. One of the "transistors" is a controller and the other is a FET. The controller is powered from the output (5v) of the circuit and when it detects no-load, it shuts down and requires a very small current. When the 1v5 batter is connected, the controller starts up at less than 1v5 due to the Schottkey diode and charges the 1u capacitor by driving the FET and using the flyback effect of the inductor to produce a high voltage. When the output voltage is 5v, the controller turns off and the only load on the 1u is the controller. When the voltage drops across this capacitor, the controller turns on in bursts to keep the 1u charged to exactly 5v. The charger was purchased for $3.00 so it is cheaper to buy one and use it in your own project. It also comes with 4 adapter leads!
|
|
10 SECOND ALARM This circuit is activated for 10 seconds via the first two gates. They form a LATCH to keep the oscillator (made up of the next two gates) in operation, to drive the speaker. The circuit consumes a few microamps in quiescent mode and the TOUCH PLATES can be any type of foil on a door knob or item that is required to be protected. The 10u sits in an uncharged condition and when the plates are touched, the voltage on pin 1 drops below 50% rail and makes pin 3 HIGH. This pulls pins 5 and 6 HIGH and makes pin 4 LOW. This keeps pin 3 HIGH, no matter if a HIGH or LOW is on pin1. This turns on the oscillator and the 10u starts to charge via the 100k resistor. After about 10 seconds, the voltage on pins 5 and 6 drops to below 50% rail voltage and pin 4 goes HIGH. If the TOUCH PLATES are not touched, pin 3 will go LOW and the oscillator will stop. ![]() |
|
USING A VOLTAGE REGULATOR This circuit shows how to use a voltage regulator to convert a 24v supply to 12v for a 555 chip. Note: the pins on the regulator (commonly called a 3-terminal regulator) are: IN, COMMON, OUT and these must match-up with: In, Common, Out on the circuit diagram. If the current requirement is less than 500mA, a 100R "safety resistor" can be placed on the 24v rail to prevent spikes damaging the regulator. ![]() |
| POLICE LIGHTS These three circuits flash the left LEDs 3 times then the right LEDs 3 times, then repeats. The only difference is the choice of chips. ![]() ![]()
|
|
FLASH LEDS FOR 20 SECONDS This circuit comes from a request from a reader. It flashes a LED for 20 seconds after a switch is pressed. In other words, for 20 seconds as soon as the switch is pressed. The values will need to be adjusted to get the required flash-rate and timing. ![]() |
INTERCOM![]()
This circuit uses a single
transistor and LM386 amplifier IC to produce an intercom that
allows hands-free operation.
As both microphones and loudspeakers are always connected, the circuit is designed to avoid feedback - known as the "Larsen effect". The microphone amplifier transistor is 180° phase-shifted and one of the audio outputs is taken at the collector and its in-phase output taken at the emitter. These are mixed by the 10u, 22u, 20k pot and 2k7 so that the two signals almost cancel out. In this way, the loudspeaker will reproduce a very faint copy of the signals picked-up by the microphone. At the same time, as both collectors of the two intercom units are tied together, the 180° phase-shifted signal will pass to the audio amplifier of the second unit without attenuation, so it will be loudly reproduced by its loudspeaker. The same operation will occur when speaking into the microphone of the second unit. When the 20k pot is set correctly, almost no output will be heard from the loudspeaker but a loud and clear reproduction will be heard at the output of the other unit. The second 20k pot adjusts the volume. |
|
ACTIVATE VIA 3 PHONE RINGS
This circuit
connects to a phone line. When the phone rings for 3 or 4 rings, the
relay is activated for about 1 minute. But if the phone
rings for 6 or more rings, the circuit is not activated.
The circuit takes less than 100uA when in quiescent state and when the phone rings, the ring voltage is passed to pin 1 via the 100k and 100n capacitor. This causes pin 2 to go HIGH and charge two 100u electrolytics. The lower 100u charges in 7 seconds and the upper charges in 12 seconds. If the phone rings for only 3 rings, pin 4 goes LOW and charges the third 100u via a 47k resistor. After a further 7 seconds, pin 10 goes HIGH. If the phone stops ringing after 3 rings, the lower 100u starts to discharge via the 470k and after about 40 seconds pin 4 goes HIGH. The third 100u now starts to discharge via the 470k across it and the relay turns off. If the phone rings for more than 5 rings, the top 100u will charge and pin 6 will go LOW and cause pin 8 to go HIGH and prevent pin 11 going LOW via the gating diode.
|
|
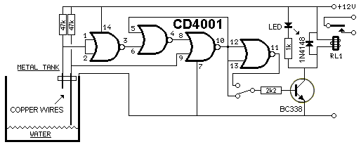
WATER LEVEL PUMP CONTROLLER
This circuit provides automatic level control of a water
tank.
The shorter steel rod is the "water high" sensor and the longer is the "water low" sensor. When the water level is below both sensors, pin 10 is low. If the water comes in contact with the longer sensor the output remains low until the shorter sensor is reached. At this point pin11 goes high and the transistor conducts. The relay is energized and the pump starts operating. When the water level drops the shorter sensor will be no longer in contact with the water, but the output of the IC will keep the transistor tuned ON until the water falls below the level of the longer rod. When the water level falls below the longer sensor, the output of the IC goes low and the pump will stop. The switch provides reverse operation. Switching to connect the transistor to pin 11 of the IC will cause the pump will operate when the tank is nearly empty and will stop when the tank is full. In this case, the pump will be used to fill the tank and not to empty it. Note: The two steel rods must be supported by a small insulated (wooden or plastic) board. The circuit can be used also with non-metal tanks, provided a third steel rod having about the same height as the tank is connected to the negative. Adding an alarm to pin 11 will let you know the tank is nearly empty. ![]() |
|
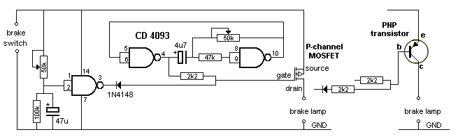
BRAKE LIGHTS
This circuit makes the brake lights
flash a number of times then stay ON. The circuit shows how a
MOSFET works. The MOSFET is turned on with a voltage between the
gate and source. This occurs in the circuit when the gate is
LOW. The P-channel MOSFET can be replaced by a PNP
transistor with the addition of a 2k2 between the diode and
base, to prevent the transistor being damaged when output pin 3
goes LOW. Ideally the PNP transistor should be replaced with a
Darlington transistor.
This circuit originally designed by: Ken Moffett Scientific Instrumentation Macalester College 1600 Grand Avenue St Paul MN 55105 moffett@macalester.edu See the full article: http://www.sentex.net/~mec1995/circ/motflash.html .pdf of article ![]() |
|
ACTIVE FOR 1 SECOND
This circuit is active for 1 second
after it detects a signal on the base of the input transistor.
The length of activation depends on the value of the
resistor across the 10u electrolytic.
When pin 1 goes LOW, pin 2 goes HIGH and charges the 10u. Pin 3 goes HIGH, pin 4 goes LOW and pin 6 goes HIGH to turn on the transistor and activate the relay. At the same time a HIGH is passed to pin 1 to keep it HIGH. Pin 2 will be kept LOW and the 10u will discharge via the resistor across it and eventually pin 3 will go LOW and the relay will turn off. If a signal is still present on the base of the input transistor, the relay will remain energised as the circuit will charge the 10u again.
|
|
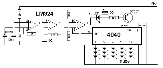
THE DOMINO EFFECT
Here's a project with an interesting
name. The original design was bought over 40 years ago, before
the introduction of the electret microphone. They used a crystal
earpiece.
We have substituted it with a piezo diaphragm and used a quad op-amp to produce two building blocks. The first is a high-gain amplifier to take the few millivolts output of the piezo and amplify it sufficiently to drive the input of a counter chip. This requires a waveform of at least 6v for a 9v supply and we need a gain of about 600. The other building block is simply a buffer that takes the high-amplitude waveform and delivers the negative excursions to a reservoir capacitor (100u electrolytic). The charge on this capacitor turns on a BC557 transistor and this effectively takes the power pin of the counter-chip to the positive rail via the collector lead. The chip has internal current limiting and some of the outputs are taken to sets of three LEDs. The chip is actually a counter or divider and the frequency picked up by the piezo is divided by 128 and delivered to one output and divided by over 8,000 by the highest-division output to three more LEDs The other lines have lower divisions. This creates a very impressive effect as the LEDs are connected to produce a balanced display that changes according to the beat of the music. The voltage on the three amplifiers is determined by the 3M3 and 1M voltage-divider on the first op-amp. It produces about 2v. This makes the output go HIGH and it takes pin 2 with it until this pin see a few millivolts above pin3. At this point the output stops rising. Any waveform (voltage) produced by the piezo that is lower than the voltage on pin 3 will make the output go HIGH and this is how we get a large waveform. This signal is passed to the second op-amp and because the voltage on pin 6 is delayed slightly by the 100n capacitor, is also produces a gain. When no signal is picked up by the piezo, pin 7 is approx 2v and pin 10 is about 4.5v. Because pin 9 is lower than pin 10, the output pin 8 is about 7.7v (1.3v below the supply rail) as this is as high as the output will go - it does not go full rail-to-rail. The LED connected to the output removes 1.7v, plus 0.6v between base and emitter and this means the transistor is not turned on. Any colour LEDs can be used and a mixture will give a different effect. Click the link above for more details on the project, including photos and construction notes. ![]() |
|
10 LED CHASER
Here's an interesting circuit that
creates a clock pulse for a 4017 from a flashing LED. The
flashing LED takes almost no current between flashes and thus
the clock line is low via the 1k to 22k resistor. When the LED
flashes, the voltage on the clock line is about 2v -3v below the
rail voltage (depending on the value of the resistor) and this
is sufficient for the chip to see a HIGH.
![]() (circuit designed on 9-10-2010) |
|
WHEEL OF FORTUNE Here's a circuit from Vellemann. The slow-down circuit consists of the top three gates, R3, D1, C2, R4 and C3. Sw1 is pressed for a brief period. This charges the 47u and the 1u is charged via the 100k. The voltage on the 1u rises until it puts a HIGH on input pin 11. This puts a LOW on pin 2 and the voltage on the 1u drops until the voltage on pin 11 is a LOW. The voltage fluctuates at about half rail voltage as it puts a HIGH and LOW on Pin 11. It is charged by the 100k and discharged by the 10 and diode. The HIGH on pin 2 allows the 1u to charge via the 100k and this gradually reduces the voltage on the 47u. As the voltage on the 47u falls, the time taken to charge the 1u increases and creates the slow-down effect. Eventually the voltage on the 1u is not enough to put a HIGH on Pin 11 and the circuit freezes.
|
|
TRANSISTOR TESTER COMBO-2
The circuit uses a single IC to perform 3 tests: Test 1: Place the transistor in any orientation into the three terminals of circuit 1 (below, left) and a red LED will detect the base of a PNP transistor an a green LED will indicate the base of an NPN transistor. Test 2: You now now the base lead and the type of transistor. Place the transistor in Test 2 circuit (top circuit) and when you have fitted the collector and emitter leads correctly (maybe have to swap leads), the red or green LED will come on to prove you have fitted the transistor correctly. Test 3: The transistor can now be fitted in the GAIN SECTION. Select PNP or NPN and turn the pot until the LED illuminates. The value of gain is marked on the PCB that comes with the kit. The kit has ezy clips that clip onto the leads of the transistor to make it easy to use the project. The project also has a probe at one end of the board that produces a square wave - suitable for all sorts of audio testing and some digital testing. Project cost: $22.00 from Talking Electronics. ![]() |
|
GELL CELL BATTERY CHARGER
This circuit will charge gell cell batteries at 300mA or 650mA
or 1.3A, depending on the CURRENT SENSING resistor in the 0v
rail. Adjust the 5k pot for 13.4v out and when the battery
voltage reaches this level, the current will drop to a few
milliamps. The plug pack will need to be upgraded for the 650mA
or 1.3A charge-current. The red LED indicates charging and as
the battery voltage rises, the current-flow decreases. The
maximum is shown below and when it drops about 5%, the LED turns
off and the current gradually drops to almost zero.
![]() |
|
SIMPLE LOGIC PROBE Here is a simple Logic Probe using a single chip. The circuits have been designed for the CD4001 CMOS quad NOR gate and CD4011 CMOS NAND gate. The output has an active buzzer that produces a beep when the pulse LED illuminates. The buzzer is not a piezo-diaphragm but an active buzzer containing components. It is called an electro-mechanical buzzer as it has two coils. The main coil pulls the diaphragm to the core via a transistor and the feedback coil drives the base. When the transistor is fully saturated, the feedback winding does not see any induced voltage (and current) and the transistor turns OFF. The rapid action of this oscillator produces an annoying squeal.
![]() LOGIC PROBE USING CD 4011 |
10 MINUTE AND 30 MINUTE TIMER ![]() This circuit turns on the first relay for any period of time as determined by the value of C1 and R1. When relay 1 turns off, relay 2 turns ON for any period of time as determined by C2 and R2. When relay 2 turns off, relay 1 turns ON and the cycle repeats. |
|
4 PUMPS This circuit has been requested by a reader. He wanted 4 pumps to operate randomly in his water-fountain feature. A 74C14 IC can be used to produce 4 timing circuits with different on-off values. The trim-pots can be replaced with resistors when the desired effect has been created. ![]()
|
|
LONG DURATION TIMER
To get a long duration timer we can create an oscillator, called
a CLOCK OSCILLATOR, and feed it to a number of flip-flops. A
flip-flop is a form of bi-stable multivibrator, wired so
an input signal will change the output on every second
cycle. In other words it divides (halves) the input signal. When
two of these are connected in a "chain" the input signal
divides by 4. The CD4060 IC has 14 stages. These are also called
BINARY DIVIDERS and the chip is also called a COUNTER. The IC also has components (called gates or inverters) on pins 9,10 and 11 that can be wired to produce an oscillator. Three external components are needed to produce the duration of the oscillations. In other words the frequency of the "clock signal." The output of the oscillator is connected (inside the chip) to the Binary Dividers and each stage goes HIGH then LOW due to the signal it is receiving. Each stage rises and falls at a rate that is half the previous stage and the final stage provides the long time delay as it takes 213 clock cycles before going HIGH. We have only taken from Q10 in this circuit and the outline of the chip has been provided in the circuit so different outputs can be used to produce different timings. The diode on the output "jams" the oscillator and stops it operating so the relay stays active when the time has expired.
|
|
LADYBUG ROBOT
Ladybug Robot moves with its six legs and makes use of
infrared emitting diodes as its eyes to avoid obstacles along
its path. Ladybug automatically makes a left turn the moment it
detects an object in its path. It continues to move forward
again when no obstacle is in the way.
![]() ![]() See Hex Bug in "200 Transistor Circuits" for a transistor version of this circuit. |
100 LED CRO![]()
|
|
PHONE RINGER
This circuit shows how a very complex set of pulses can be produced via a very simple circuit. The CD4060B IC produce three kinds of pulses. Preset VR1 is fine-tuned to get 0.3125Hz pulses at pin 3 of IC1. At the same time, pulses obtainable from pin 1 will be of 1.25 Hz and 20 Hz at pin 14. The three output pins of IC1 are connected to base terminals of transistors T1, T2, and T3 through resistors R1, R2, and R3, respectively. Working with a built-in oscillator-type piezo buzzer generates about 1kHz tone. In this particular circuit, the piezo-buzzer is turned ‘on’ and ‘off’ at 20 Hz for ring tone sound by transistor T3. 20Hz pulses are obtainable at the collector of transistor T3 for 0.4-second duration. Just after a time interval of 0.4 second, 20Hz pulses become again obtainable for another 0.4-second duration. This is followed by two seconds of no sound interval. Thereafter the pulse pattern repeats by itself. ![]() |
|
KNIGHT RIDER In the Knight Rider circuit, the 555 is wired as an oscillator. It can be adjusted to give the desired speed for the display. The output of the 555 is directly connected to the input of a Johnson Counter (CD 4017). The input of the counter is called the CLOCK line. The 10 outputs Q0 to Q9 become active, one at a time, on the rising edge of the waveform from the 555. Each output can deliver about 20mA but a LED should not be connected to the output without a current-limiting resistor (330R in the circuit above). The first 6 outputs of the chip are connected directly to the 6 LEDs and these "move" across the display. The next 4 outputs move the effect in the opposite direction and the cycle repeats. The animation above shows how the effect appears on the display. Using six 3mm LEDs, the display can be placed in the front of a model car to give a very realistic effect. The same outputs can be taken to driver transistors to produce a larger version of the display. ![]()
This circuit drives 11 LEDs with a cross-over effect:
KNIGHT RIDER FOR
HIGH-POWER LEDS (constant current)
KNIGHT RIDER "RUNNING
HOLE" EFFECT
|
| CROSSING LIGHTS A magnet on the train activates the TRIGGER reed switch to turn on the amber LED for a time determined by the value of the first 10u and 47k. When the first 555 IC turns off, the 100n is uncharged because both ends are at rail voltage and it pulses pin 2 of the middle 555 LOW. This activates the 555 and pin 3 goes HIGH. This pin supplies rail voltage to the third 555 and the two red LEDs are alternately flashed. When the train passes the CANCEL reed switch, pin 4 of the middle 555 is taken LOW and the red LEDs stop flashing. See it in action: Movie (4MB)
The circuit can also be constructed with a 40106 HEX Schmitt trigger IC (74C14). The 555 circuit consumes about 30mA when sitting and waiting. The 40106 circuit consumes less than 1mA.
|
| REVERSING A MOTOR - 5 (see -1, -2, -3 in 200 Transistor Circuits and -4 in 50 - 555 Circuits) When the circuit turns ON, the 4017 comes on with pin3 HIGH. The motor does not work. When the push switch is pressed and released, the 4017 advances to pin 2 and the motor turns clock-wise. When the push switch is pressed and released again, the 4017 advances to pin 4 and the motor STOPS. When the push switch is pressed and released again, the 4017 advances to pin 7 and the motor turns anti-clockwise. When the push switch is pressed and released again, the 4017 advances to pin 10 and the chip resets and the motor STOPS. The 2u2 prevents switch-bounce to get a clean pulse each time the switch is pressed. ![]() |
|
20mA CONSTANT-CURRENT GENERATOR
This circuit produces a constant 20mA current with an output voltage approx 3v lower than the battery voltage. It uses an LM317 adjustable regulator which has a voltage-drop of about 3v between the IN and OUT terminals. If the battery voltage is 12v, the circuit will deliver about 9v at 20mA. The regulator has an internal voltage reference of 1.25v between OUT and ADJUST pins and when a resistor is placed between the OUT pin and the circuit being supplied, the current flowing through the resistor will produce a voltage-drop. As the current required by the circuit increases, the voltage across this resistor will increase. When it is 1.25v, the current will be 20mA. If the current increases due to the output resistance decreasing, the voltage across the resistor increases and the LN317 reduces the output voltage. This causes the current to reduce to 20mA. This is how the circuit produces a constant current. The output current can be changed to any value according to the formula shown below.
|
|
ADJUSTABLE VOLTAGE AND CURRENT LIMITING
The single regulator in this circuit will provide a variable
voltage from 1.225v to 12v or more, depending on the voltage of
the plug pack and the zener diode. The current will also depend
on the rating of the plug pack.
As soon as the current reaches the limit set by the 100R pot, the BC547 transistor starts to turn on and rob the regulator of voltage on the Adj pin. The output voltage starts to reduce. If the output is shorted, the output voltage will reduce to almost zero.
|
|
MAINS DETECTOR
This circuit will detect active mains at 15cm. Mains wiring must not be touched. Many CMOS chips can be used for this purpose. CD 4017, 4020, 4040 as they all have very sensitive inputs. This circuit will also detect "Mains Hum." It is the simplest circuit and will work on 6v - 9v. Use a small length of copper-clad PC board 1cm wide for the detector. DO NOT TOUCH ANY WIRES or cables. The LED will flash when the antenna is 10cm to 15cm from the cable. ![]() MAINS TRACER with Long probe This circuit will also detects active mains at 15cm but has the advantage of producing a squeal so you can keep your eyes on the job. The mains must be active and will not work when the light-switch is turned off. A kit for this project is available HERE from Talking Electronics for $10.00 plus $6.50 postage.
|
|
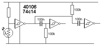
THE 74c14 IC
- also known as 40106 or 40014 - it works
on 5v to 15v.
[But not 7414 or 74HC14 or 74HCT14 or 74LS14 as these IC's are for 5v supply ONLY. They are TTL chips and operate on 4.5v to 5.5v and have low impedance inputs.] The 74c14 IC is one of the most useful chips on the market. When you realise its versatility, you will use it for lots of designs. In this section we describe its capability and provide circuits to show how it can be used.
The 74C14 IC contains 6 Schmitt Trigger gates. Minimum supply voltage 5v Maximum supply voltage 15v Max current per output 10mA - 60mA total Maximum speed of operation 4MHz Current consumption approx 1uA with nothing connected to the inputs or outputs.
The output of each gate will deliver about 10mA. This is sufficient to drive a LED, but if extra current is required, a transistor BUFFER will be needed. For up to 100mA, a BC547 can be used. For up to 4 amps a BD679 Darlington transistor can be used.
Each gate is a separate "Building Block." It is basically an
AMPLIFIER. It is a CURRENT AMPLIFIER and it is different to any other
type of amplifier. Here is how it works:
The next feature to understand is called
THE TIME DELAY CIRCUIT
If we add the TIMING CIRCUIT (DELAY CIRCUIT) to the output of a Schmitt gate, we can see the capacitor charging and discharging:
Here is the clever part. Instead
of the voltmeter monitoring the voltage across the capacitor, the
input of the Schmitt Inverter can be connected to the capacitor.
Here are the basic oscillator blocks for a 74C14 (40106) IC:
Fig B shows an electrolytic - low frequency oscillator An oscillator is created
by placing a resistor from output to input and a capacitor from
input to 0v. The output will be a square-wave and and the mark
(high) will be equal to the space (low).
In figure C the output is output is
low for a short period of time as the two resistors R1 and R2 are
discharging the capacitor. If R2 is a very low value compared with
R1 we can get the low duration to be 10% or less, of the HIGH. Delay In the diagram above, the input line goes HIGH and remains HIGH. It can be detecting a piece of equipment being turned on, for example. This action charges capacitor C via resistor R. After a period of time (called the Delay Time), the input of the Schmitt Trigger reaches 67% of rail voltage and the output goes LOW. The Delay Time is determined by the values of R and C. We are not concerned with the actual values of R and C at this point in time. They can be worked out by experimentation. The point to note is the placement of the two components to produce a DELAY. If the output is required to be the opposite of the circuit above, an inverter is added:
If a diode is added across the input resistor, the capacitor "C" will be discharged when the input goes low, so the "Delay Time" will be instantly available when the input goes HIGH:
Pulse The following circuit produces a PULSE when the input line goes HIGH:
To invert the output, add an inverter:
To produce a pulse after a delay, the following circuit is required:
Gating To gate an oscillator via another inverter, a diode is placed between the two gates:
When the push-button is pressed, the input of the first gate goes LOW and the output goes HIGH. The high from the diode prevents the capacitor discharging via the oscillator and it is "jammed" or "frozen" with the output LOW. The following circuit produces a tone for a short period of time as determined by the pulse section. When the output of the Pulse section is LOW, the oscillator will operate. When the Pulse section is HIGH the oscillator is JAMMED.
To produce a TOGGLE SWITCH, the following circuit is needed.
2
MINUTE TIMER
Here is another very similar circuit. Use either the active HIGH or Active LOW switch and if the Active LOW switch is used, do not connect the parts or gate between pins 1 and 2 to the rest of the circuit.
This circuit pulses the pager motor about 2 - 4 seconds after the circuit is turned on:
The following circuit allows a higher voltage to be used and PWM controls the energy to the Pager Motor. The component values will have to be determined by experimentation:
|
|
2-SECTOR HOME ALARM
2-Sector HOME ALARM PC BOARD - |
|
BURGLAR ALARM
4-ZONE
This circuit uses a dedicated alarm chip from Talking Electronics (TE555-BA4). The chip costs $2.50 and contains a 4-zone Burglar Alarm circuit. All you need are the surrounding components to complete the project. These components are available as a kit for $20.00 including the dedicated chip and this makes it one of the cheapest kits on the market (postage for kit $6.50). Click HERE to order the chip or the kit. The only additional parts you require are 4 reed switches. These can be purchased on eBay for $5.38 for a set of 5 Normally Open switches (post free). Here is the link: http://www.ebay.com/itm/5-Set-Door-Or-Window-Safety-Contact-Magnetic-Alarm-Reed-Switch-NO-with-Screws-/290746194636?pt=LH_DefaultDomain_0&hash=item43b1d2dacc
![]()
Build the circuit on a piece of matrix board (or the Circuit
Board included in the
kit) and connect the inputs to the screw terminals. 6 separate
2-screw terminals are provided in the kit to make it easy to wire-up
the alarm. The alarm takes about 1mA when monitoring a house and
about 100mA when activated.
POWER SUPPLY
This allows you to turn off the alarm before the loud wailing is
produced and is one of the best features of the alarm as the worry
of false-triggering an alarm prevents many householders setting
their alarm.
The main chip contains an internal oscillator to drive a piezo diaphragm
and also a wailing oscillator for the Piezo Siren. The Piezo Siren
is an 80dB piezo diaphragm driven by a BD679 Darlington transistor
with a 10mH choke to produce a high voltage for the diaphragm. |
|
LOGIC PROBE Kits
are available for this project
from Talking Electronics for $8.00 plus postage. A LOGIC PROBE is a very handy piece of equipment to have when testing a project. This project provides: High, Low, Pulse, detects a Tone and has a Signal Injection feature. You can build it in an evening on a piece of Matrix Board. ![]() ![]() |
|
CLAP SWITCH
"ON-OFF" This circuit turns the LED ON with a clap or short whistle. And a further clap turns it OFF. It uses a speaker as a microphone and the fourth output of the 4017 is used to reset the chip. The 100u on pin 2 upsets the amplifier and prevents it clocking the chip, until the electro either charges or discharges. A buffer transistor can replace the LED to operate a relay. It only requires 2mV signal to activate the circuit. ![]() |
|
SOLAR TRACKER
This circuit can be used to track the movement of the sun. The Motor should be connected to the panel so it rotates the panel in the direction of movement of the sun. See: http://www.electrosome.com/solar-tracker-system-using-lm358/
|
BATTERY-LOW BEEPER
![]() This circuit will produce a beep-beep-beep from the piezo buzzer when the battery voltage falls to about 10v. This is very handy when you have a battery powering a piece of equipment and you don't know its state of charge. When the voltage is above 10v, the zener diode conducts and turns ON the first transistor. The voltage between the collector and emitter of this transistor is less than 0.3v and the voltage on the base of the second transistor is 0.3v. Thus the second transistor is not turned ON and it is effectively removed from the circuit. This means the reset pin of the CD 4060 is connected to the positive rail via a 1M resistor. This puts a HIGH on the reset pin and turns the chip off and prevents the oscillator producing clock pulses. The chip contains inverters between pins 9, 10 and 11 so that when components are connected to these pins, an oscillator is produced. The technical name for this oscillator is called a CLOCK. When pin 12 is taken HIGH it inhibits the oscillator (prevents the clock pulses passing to the divider stages). When the battery voltage falls below 10v, the first transistor is turned OFF and the second transistor is turned ON. This takes the reset line to the 0v rail and the chip allows the clock pulses from the oscillator to pass to a set of flip flops arranged to divide the signal. Pin 7 divides the signal by 16 to produce a beep-beep-beep from the electro-mechanical buzzer. The buzzer normally produces a constant tone but output pin 7 goes HIGH/LOW at about one cycle per second and this turns the buzzer ON and OFF to produce a clearer alert signal. The circuit takes 30uA when "sitting around" and less than 1mA when producing a beep. If you do not have an electro-mechanical buzzer, a piezo diaphragm can be used. The output volume will not be as loud. The oscillator components will need to be changed to produce a higher clock frequency. This frequency will be divided-down and detected at one or two of the outputs. You can try all the outputs to see what result is the best. If you do not have a 9v1 zener, it can be made from 5v6 zener and 3v6 zener or a 5v6 and a white LED or two red LEDs. It can also be made from three white LEDs and a red LED. You can use a zener, LEDs and a signal diode to adjust the voltage to any desired value. When a very small current flows though a zener, LED or diode, the characteristic voltage that develops across it is LESS than when its rated current flows. However this lower voltage can be used to produce a "trigger-point." The only way to determine this voltage is to add the component to the circuit. The first transistor reacts at this trigger-point and the second transistor simply inverts the voltage on the collector. The second transistor is not classified as an amplifier but an INVERTER. To see more on this project, visit: http://electronicsmaker.info |
|
LED DICE This circuit produces a realistic effect of the "pips" on the face of a dice. The circuit has "slow-down" to give the effect of the dice "rolling." See the full project: LED DICE ![]() A SIMPLER CIRCUIT: The circuit above can be simplified and output Pin 12 can be used to illuminate two of the LEDs as this line is HIGH for the times when Q0, Q1, Q2, Q3, and Q4 are HIGH and goes LOW when Q5 - Q9 is HIGH. This means the 4017 starts with Q0 HIGH. But Q0 is not an output. This means that when Q0 is HIGH, "carry out" is HIGH and "2" will be displayed. The next clock cycle will produce "3" on the display when Q1 is HIGH, then "4" when Q2 is HIGH, "5" when Q3 is HIGH and "6" when Q4 is HIGH. When Q5 goes HIGH, it illuminates "1" on the display because "carry out" goes LOW.
|
LDR - Pulse when illuminated![]() This is the basis to a circuit that produces a pulse when the Light Dependent Resistor detects light and another pulse from a different output when it detects darkness. This is a reply to a request from a reader who posted a request on an electronics forum. |
|
WATER LEVEL DETECTOR
This great project is available on eBay for about $6.00 (posted). It shows LOW, MEDIUM and HIGH on LEDs as well as a relay output. See the .pdf for full details. Here is the circuit: ![]() The circuit is complex because it is well-designed and does not put DC on the probes. The AC prevents galvanic reaction "eating" the probes and destroying them. The switch in the base of the first transistor effectively "toggles" (reverses) the action of the relay. You don't really need this complexity as you can simply wire your motor to the normally-open or normally-closed contacts. However the circuit is a good introduction to op-amp designs and the full explanation of how it works is in the .pdf. The circuit has been redrawn from the Chinese original to make it easy to see how it works. You have absolutely no chance of working out how it works from the Chinese version. I don't know how they teach electronics with their way of laying things out. I certainly couldn't follow anything. It was all "Chinese" (Greek) to me. ![]() The resistor values have been added to the image as they are hidden under the components. If the project does not work, you will find two resistors have been fitted incorrectly. This photo will help you locate the problem. The colour bands for each resistor is in the .pdf. They are all 1% resistors and you need help to check the colours. Don't forget, the 223 looks the same as 104. Modifications from: |
|
4 ALARM SOUNDS
This COB module from Chip Partner is available on eBay for $2.00. It produces 4 handy alarm sounds that you can add to your alarm project. http://www.ebay.com.au/itm/370948705385?euid=294ed37a472d4f5990bff5fa01c5da06&cp=1
|
|
DOOR ALARM This circuit produces two different effects on the LED. It is best to put a piezo diaphragm on pin 11 to hear the tone (frequency) produced by the circuit. The circuit is a good example to test your ability to work out what is happening. When the magnet is near the Hall effect device, the output is LOW and pin 3 must be HIGH (refer to the truth table). This puts a high on pin 2 and the gate remains in this state. Pin 4 is LOW and pin 10 is HIGH. Pin 11 can be high or low and if we assume the 100n is not charged, pin 13 will be low and the output will be HIGH. This will charge the 100n and change pin 13 to HIGH to make the output LOW and thus we have an oscillator. The piezo diaphragm will produce a tone but the LED will simply be illuminated. When the magnet is removed, pin 1 goes HIGH and the output can be high or low. We will assume pin 3 goes LOW as it was previously HIGH and the 10u was fully charged. Pin 4 goes HIGH and the 10u is "jacked up" by 9v due to pin 4 rising and the about 8v contained in (or on) the 10u puts 17v on the join of the 1M and 100k resistors. The other end of the 100k is at 0v and this resistor discharges the 10u fully and then starts to charge it in the opposite direction as the negative of the electro will be at 9v and the positive lead has to drop to less than 3v. Pin 2 monitors the voltage via the 1M resistor. When pin 2 sees less than 3v, the gate changes state with pin 2 going HIGH and the second gate changes state with pin 4 going LOW. The electro has MINUS 6v across it but the way to see it is this: The electro is "moved down" by 9v and now the join of the 1M and 100k resistors sees a voltage of minus 15v. The other end of the 100k resistor has 9v on it and this removes the charge from the electro so that it has 0v across it and then it charges in the correct direction until the voltage reaches about 6v. At this point the gate changes state with pin 3 going LOW and pin 4 going HIGH to create a low frequency oscillator. Previously pins 4, 8 and 9 were LOW. When these pins are HIGH, pin 10 is LOW. When this pin is LOW it permanently puts a HIGH on the output of the gate and the LED is turned OFF. This makes the LED blink when the magnet is removed.
|
|
TRACKING ROBOT
This circuit is a Tracking Robot
|
|
PHOER
This |
|
PHOER
This |
![]() LOGIC GATES It's very handy to remember that all the logic gates can be made from a Quad NAND gate such as CD4011. |
|
Circuit Symbols
CIRCUIT SYMBOLS
Some additional symbols
have been added to the following list. See Circuit Symbols on the
index of |



|
IC PINOUTS |


to Index
All the resistor colours:
This is called the "normal" or "3 colour-band" (5%)
range. If you want the 4 colour-band (1%) series, refer to
Talking Electronics website and click: Resistors 1% on the left index. Or
you can use the table below.
![]() |
![]() |
![]() |
![]() |
![]() |
![]() |
![]() |
![]() |
|
MAKE ANY RESISTOR VALUE:
There are other ways to combine 2
resistors in parallel or series to get a particular value. The
examples above are just one way. |
|
MAKE ANY CAPACITOR VALUE:
The value "10" in the chart above can be 10p, 10n or 10u. The chart works for all decades (values). |
25-5-2016